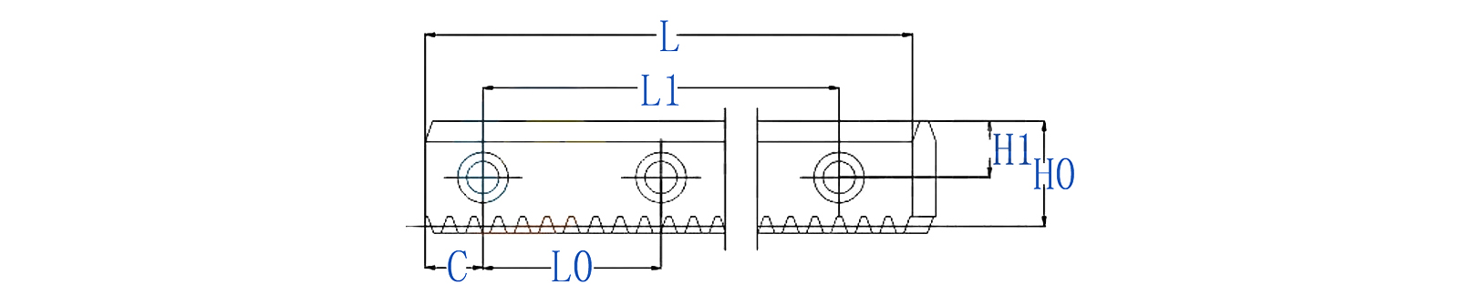
V型导轨齿条
DIN6 V型导轨研磨斜齿齿条
参数说明:
精度等级:DIN 6
材质:42CrMo
齿型:斜齿
硬度处理:高频淬火HRC48-52°/渗碳淬火HRC55-60°
生产工艺:四面研磨、齿面研磨、V型导轨面研磨
宇宸V型斜齿导轨研磨齿条,工业传动的理想之选
在工业领域,高效、精准的传动是保障设备稳定运行、提升生产效率的关键。宇宸V型斜齿导轨研磨齿条,凭借精良的性能、先进的制造工艺,成为众多工业设备的理想之选。
1. 先进制造工艺,严格质量保障
宇宸V型斜齿导轨研磨齿条选用42CrMo材料,从源头保障齿条的强度与韧性。在生产过程中,宇宸采用先进的铣齿、磨齿工艺,经过多道工序的精细加工和严格检测,确保每一根齿条的精度和质量。特别是独特的V型斜齿设计,配合高精度研磨工艺,使得齿面与V轨表面平整度和光洁度较高,有效降低摩擦系数,实现更加平稳顺畅的运动。
2. 高精度导向,定位精准可靠
V型结构是宇宸这款齿条的一大特色,它能够有效限制运动部件的自由度,确保其在直线运动过程中保持稳定的方向和位置 ,导向精度较高。对于如数控机床、自动化生产线等对位置控制精度要求苛刻的设备而言,宇宸V型斜齿导轨研磨齿条能够为其提供稳定可靠的导向,保证设备运行的高精度,加工出尺寸精度和表面质量达标的零件。
3. 承载能力强,适应重载应用
由高强度材料制成的宇宸齿条,具备较高的承载能力,能够承受较大的轴向力、径向力和扭矩,在各种重载应用场合都能表现良好。在重型机械制造领域,大型设备的运动部件往往需要承受巨大的重量和冲击力,宇宸V型斜齿导轨研磨齿条可以可靠地支撑这些部件的运动,保障设备的正常运转。
4. 安装维护方便,降低使用成本
宇宸V型斜齿导轨研磨齿条采用标准化的安装方式,无需复杂的安装工具和技术,能够轻松与各种机械设备集成。维护也较为简便,只需定期检查和清洁,在必要时更换磨损部件即可,大大降低了设备的维护成本和停机时间,提高了设备的使用效率。
5. 应用广泛,助力产业升级
凭借良好的性能,宇宸V型斜齿导轨研磨齿条在工业自动化、数控机床、机器人、物流设备等众多领域都有广泛应用。在自动化生产线中,助力机械手臂实现精准抓取;在数控机床里,保障刀具实现微米级位移;在机器人的行走系统以及物流仓储的输送设备中,也发挥着不可或缺的作用,推动各行业向高端制造迈进。
选择宇宸V型斜齿导轨研磨齿条,就是选择可靠的质量、良好的性能和专业的服务支持。宇宸以专业的态度和先进的技术,为您的工业设备提供精准、稳定、高效的传动保障,携手共创工业领域的美好未来。
13306862930 / 18668881826
English
中文简体
русский
Español
















