研磨齿轮
DIN6 研磨2模斜齿法兰齿轮
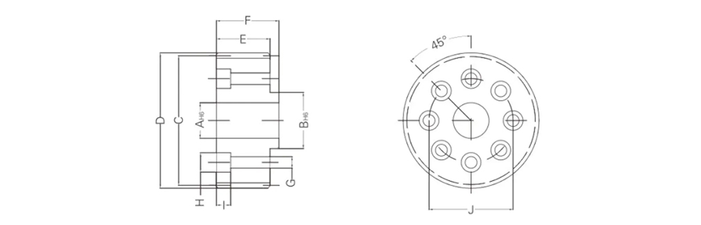
参数说明
精度等级:DIN 6
材质:20CrMnTi
齿形:斜齿
左旋角:19°31'42"
硬度处理:整体渗碳HRC55-60°
生产工艺:磨齿
宇宸2模研磨法兰齿轮:工业传动的精密核心
在工业领域,齿轮作为传动系统的关键部件,其性能优劣直接关乎设备的运行效率与稳定性。宇宸2模研磨法兰齿轮,凭借稳定的质量、精湛的工艺,在众多同类产品中脱颖而出,成为工业传动的理想选择。
一、选材精良,奠定品质基石
宇宸2模研磨法兰齿轮选用20CrMnTi材料制造。其具有良好的综合机械性能,经热处理后,硬度和耐磨性得以显著提升;其拥有更高的强度和韧性,尤其适用于承受重载和冲击的工况。这些材料从源头上保障了齿轮具备良好的耐用性和可靠性,即使在严苛的工作环境下,也能长时间稳定运行,大幅减少设备的维护频率和更换成本。
二、研磨工艺,铸就高精度品质
高精度是宇宸2模研磨法兰齿轮的核心优势。在制造过程中,采用先进的研磨工艺,对齿面进行精细处理。研磨后的齿面粗糙度低,精度可达DIN5级甚至更高,这使得齿轮在运转时,齿与齿之间的啮合更加紧密、平稳,较大地降低了传动过程中的噪音和振动,同时有效提高了传动效率,确保设备能够实现高精度的运动控制,满足如数控机床、精密自动化设备等对传动精度要求较高的应用场景。
三、独特设计,满足多元需求
1. 法兰结构:独特的法兰设计,使得齿轮安装更加便捷、稳固。通过法兰盘,可直接将齿轮与设备的轴或其他部件进行连接,减少了额外的安装配件和复杂的安装步骤,不仅提高了安装效率,还增强了连接的可靠性,有效避免了因松动而导致的传动故障,保障设备的稳定运行。
2. 2模模数:模数2是经过精心设计和市场验证的,该模数在保证足够传动扭矩的同时,兼顾了齿轮的尺寸和重量,适用于多种不同功率和转速要求的传动系统,通用性强,能够广泛应用于工业自动化生产线、机器人、物流设备等众多领域
四、应用广泛,助力产业升级
宇宸2模研磨法兰齿轮凭借其可靠的性能,在工业自动化领域,助力机械手臂实现精准定位和高效抓取;在数控机床中,保障刀具路径的精确控制,实现高精度的零件加工;在机器人关节传动系统中,为机器人的灵活运动提供稳定动力;在物流设备的输送和分拣系统里,确保货物的平稳、高效传输。
选择宇宸2模研磨法兰齿轮,就是选择高精度和高可靠性的传动解决方案。宇宸以专业的态度和先进的技术,为您的工业设备提供坚实的传动保障,携手共创工业领域的辉煌未来。
13306862930 / 18668881826
English
中文简体
русский
Español













